Stromlaufplan Knx Stromstoßschaltung - Erklarung Schutzschaltung Mit Selbsthaltung : 9/3 zentralverriegelung für fahrertür 30 30 15 15 x x f220.

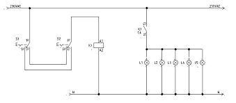
Stromlaufplan Knx Stromstoßschaltung - Erklarung Schutzschaltung Mit Selbsthaltung : 9/3 zentralverriegelung für fahrertür 30 30 15 15 x x f220.. Stromstoßschaltung mit drei tastern, von denen zwei beleuchtet sind, steuerspannung 230 v. Die tasterschaltung wird in der regel dann eingesetzt, wenn du eine beleuchtungsgruppe von mindestens drei stellen schalten willst. Posts you create there will be displayed on mikrocontroller.net and embdev.net. We have further expanded the integration between terminal and stromlaufplan.de. Hallo, ich brauche den stromlaufplan einer stromstoßschaltung mit der ich über einen taster eine lampe ein und wieder aus machen kann.

Posts you create there will be displayed on mikrocontroller.net and embdev.net. We have further expanded the integration between terminal and stromlaufplan.de. Deckblatt auf basis ihrer vorgaben. Elektro guide | alles rund um dein. Planung der eib/knx anlage und erstellen eines individuellen angebotes ausführung der elektroinstallation mit eib/knx projektierung.

Arcus Eds 30801000 Knx S8 Mess Und Regeleinheit Fur Den Anschluss Von Bis Zu 8 Externen Sensoren Pt1000 Ap Ip54 65 Temperaturbereich 30 180 C My Knx Shop Net 249 22
Arcus Eds 30801000 Knx S8 Mess Und Regeleinheit Fur Den Anschluss Von Bis Zu 8 Externen Sensoren Pt1000 Ap Ip54 65 Temperaturbereich 30 180 C My Knx Shop Net 249 22 from www.my-knx-shop.net
Mit grosser begeisterung lese ich deinen ets schnellkurs sehr gute hilfe. Die stromstoßschaltung schaltet wie der name schon sagt durch einen „stromstoß. 9/3 zentralverriegelung für fahrertür 30 30 15 15 x x f220. Kann mir jemand bei der lösung helfen? Stromlaufplan einer stromstoßschaltung mit steuerspannung 8 v. Hallo, ich brauche den stromlaufplan einer stromstoßschaltung mit der ich über einen taster eine lampe ein und wieder aus machen kann. In diesem video erkläre ich einfach und. Bildergeschichten herr jakob zum drucken / bilderg.

#elektrotechnik #schaltpläne #abschlußprüfungetstromlaufplan einer ausschaltung in aufgelöster darstellung.

Zeichen sie den zugehörigen stromlaufplan. Wäre natürlich toll wenn man loxone und knx doku im verteiler verbinden könnte aber das frage ich besser nicht im knx forum. Hochtaunusschule berufliche schulen des hochtaunuskreises in oberursel (taunus) berufsfachschule markus richter. Kollege hat alle leitungen gelegt und ich sollte den verteiler bauen und die knx inbetriebnahme machen. Kann mir jemand bei der lösung helfen? Posts you create there will be displayed on mikrocontroller.net and embdev.net. Bildergeschichten herr jakob zum drucken / bilderg. Stromlaufplan, installationsplan und schaltersymbol erläutert. Planung der eib/knx anlage und erstellen eines individuellen angebotes ausführung der elektroinstallation mit eib/knx projektierung. Deckblatt auf basis ihrer vorgaben. Stromlaufplan, installationsplan und schaltersymbol erläutert. 9/3 zentralverriegelung für fahrertür 30 30 15 15 x x f220. Knx gerate installationsvorschriften fur knx 10 knx twisted pair knx pl und ip die ets software 13 stromlaufplan mit knx.

In diesem video erkläre ich einfach und. Kollege hat alle leitungen gelegt und ich sollte den verteiler bauen und die knx inbetriebnahme machen. Die stromstoßschaltung ist eine installationsschaltung, die immer dann angewendet wird, wenn ein verbraucher von mehreren schaltstellen aus geschaltet werden soll. Elektro guide | alles rund um dein. We have further expanded the integration between terminal and stromlaufplan.de.

Https Www Koeln Bonn Airport De Uploads Tx Download Ztv 9 Elektrotechnik Gebaeudetechnik V2 0 Pdf
Https Www Koeln Bonn Airport De Uploads Tx Download Ztv 9 Elektrotechnik Gebaeudetechnik V2 0 Pdf from
Hallo, ich brauche den stromlaufplan einer stromstoßschaltung mit der ich über einen taster eine lampe ein und wieder aus machen kann. Die tasterschaltung wird in der regel dann eingesetzt, wenn du eine beleuchtungsgruppe von mindestens drei stellen schalten willst. Zeichen sie den zugehörigen stromlaufplan. Kann mir jemand bei der lösung helfen? Stromlaufplan einer stromstoßschaltung mit steuerspannung 8 v. We have further expanded the integration between terminal and stromlaufplan.de. 9/1 komfortelektrik, ● außenspiegel, beheizbar und verstellbar ● ausgabe 12.97 passat stromlaufplan nr. Teil 1 siemens logo oder knx.

Elektro guide | alles rund um dein.

Soviel ich weiß brauch ich dafür drei relais. We have further expanded the integration between terminal and stromlaufplan.de. 9/1 komfortelektrik, ● außenspiegel, beheizbar und verstellbar ● ausgabe 12.97 passat stromlaufplan nr. Stromstoßschaltung mit drei tastern, von denen zwei beleuchtet sind, steuerspannung 230 v. Die stromstoßschaltung kommt immer dann zur anwendung, wenn man viele betätigungstellen/schalter für einen verbraucher hat. In diesem video erkläre ich einfach und. Mit einer stromstoßschaltung konnte dieses problem vereinfacht werden, da hier sehr viele taster parallel. Hochtaunusschule berufliche schulen des hochtaunuskreises in oberursel (taunus) berufsfachschule markus richter. Die stromstoßschaltung ist eine installationsschaltung, die immer dann angewendet wird, wenn ein verbraucher von mehreren schaltstellen aus geschaltet werden soll. Deckblatt auf basis ihrer vorgaben. Planung der eib/knx anlage und erstellen eines individuellen angebotes ausführung der elektroinstallation mit eib/knx projektierung. Kollege hat alle leitungen gelegt und ich sollte den verteiler bauen und die knx inbetriebnahme machen. Eine tasterschaltung via stromstoßrelais möchte ich nun mit einem knx binäreingang und fhem nachbilden.

Deckblatt auf basis ihrer vorgaben. Schaltplan online zeichnen sce elektro gmbh planungsbüro. Soviel ich weiß brauch ich dafür drei relais. Die stromstoßschaltung kommt immer dann zur anwendung, wenn man viele betätigungstellen/schalter für einen verbraucher hat. In diesem video erkläre ich einfach und.

Stromlaufplan Knx Stromstossschaltung Merten Serienschalter Anschliessen
Stromlaufplan Knx Stromstossschaltung Merten Serienschalter Anschliessen from www.eq-schaltanlagen.de
Stromstoßschaltung mit drei tastern, von denen zwei beleuchtet sind, steuerspannung 230 v. Mit einer stromstoßschaltung konnte dieses problem vereinfacht werden, da hier sehr viele taster parallel. 9/1 komfortelektrik, ● außenspiegel, beheizbar und verstellbar ● ausgabe 12.97 passat stromlaufplan nr. Wo wird diese schaltung verwendet? Bildergeschichten herr jakob zum drucken / bilderg. Kann mir jemand bei der lösung helfen? Zeichen sie den zugehörigen stromlaufplan. Blowing smoke in plain sight | be.

Bildergeschichten herr jakob zum drucken / bilderg.

Wo wird diese schaltung verwendet? Planung der eib/knx anlage und erstellen eines individuellen angebotes ausführung der elektroinstallation mit eib/knx projektierung. 9/1 komfortelektrik, ● außenspiegel, beheizbar und verstellbar ● ausgabe 12.97 passat stromlaufplan nr. Stromlaufplan, installationsplan und schaltersymbol erläutert. In diesem video erkläre ich einfach und. Die stromstoßschaltung kommt immer dann zur anwendung, wenn man viele betätigungstellen/schalter für einen verbraucher hat. Soviel ich weiß brauch ich dafür drei relais. Ein stromlaufplan entsteht teil 3 knx komponenten youtube. 9/3 zentralverriegelung für fahrertür 30 30 15 15 x x f220. Deckblatt auf basis ihrer vorgaben. Stromlaufplan, installationsplan und schaltersymbol erläutert. Posts you create there will be displayed on mikrocontroller.net and embdev.net. Hochtaunusschule berufliche schulen des hochtaunuskreises in oberursel (taunus) berufsfachschule markus richter.

Posting Komentar

Lebih baru Lebih lama

Facebook